Size dimensions for holes

Current vs. Previous Standards - Examples
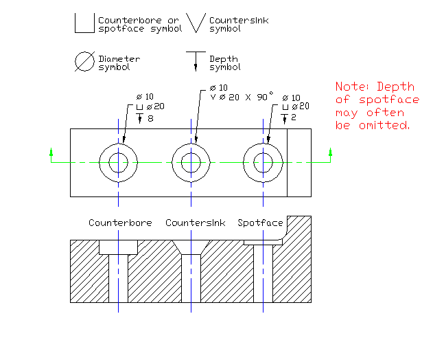
Below are some examples of notes using the current standards for counterbored, countersunk and spotfaced holes.

(Go back)


Copyright © 1997 Rajit Gadh/Jeff Roessler All rights reserved